欧洲主要插头有下图几种:

虽然有多种不同的插头形式,但有部分是可以通用的。比如两圆的形式。
先了解一下什么是德标/法标插头:

主要参数为:圆直径4.8mm,长19mm,塑胶大圆外径36.5mm,德标插头无接地孔,法标加一个接地孔。而德标是地区主要标准,插头图:

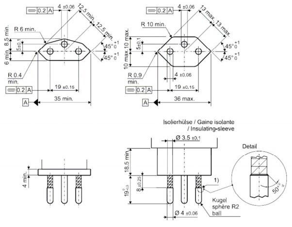
再了解一下什么是欧标插头:

主要参数为:圆直径4.0mm,长19mm,塑胶大13x35mm,斜宽26mm。


可以看出欧标两圆插头可以插入德标、法标、意大利、瑞士、丹麦等国,欧标插头主要是不带接地使用,如充电器/适配器产品,而德标作为地区主要标准用途是带接地大电器使用。

选插座的话主要选德标插座,如果选插头则看是需要接地的大电器还是不需接地的小电器。如果是出国旅游的话可以选择欧标4.0的能通用欧洲多国。如果只到德国法国旅游的话则可选法标插头。
最后,主要区别是接地与不接地,欧标几乎可以通用欧洲大部分国家,德标只能插入德法奥地利少数国家。而欧标插入德标则会有一点松动。